LabVIEW视觉

 找回密码
 注册会员
查看: 418|回复: 0

[面阵相机] ME2C-1070-10GM(-P)大恒图像水星China GigE黑白工业相机

[复制链接]
  • TA的每日心情

    昨天 08:11
  • 签到天数: 3820 天

    连续签到: 13 天

    [LV.Master]2000FPS

     楼主| 发表于 2025-11-20 11:52:13 | 显示全部楼层 |阅读模式 来自:广东省东莞市 联通

    注册登陆后可查看附件和大图,以及购买相关内容

    您需要 登录 才可以下载或查看,没有账号?注册会员

    x
    ME2C-1070-10GM(-P)大恒图像水星China GigE黑白工业相机
    水星二代China 1070万像素GigE接口工业相机,面向国产化需求,性价比更高,多种分辨率、帧率可选、提供多种采集方式。
    水星二代China相机结构紧凑,外观小巧(29×29mm),内置优异的图像处理 (ISP) 算法, 提供多种采集方式,面向国产化需求。ME2C-1070-10GM(-P)相机采用逐行曝光的Onsemi MT9J003 CMOS 感光芯片, 通过GigE数据接口进行图像数据的传输, 并集成I/O (GPIO) 接口, 提供线缆锁紧装置, 能稳定工作在各种恶劣环境下, 是极具市场竞争力 、价格优势和高性价比的工业数字相机产品。

                                   
    登录/注册后可看大图
    水星ME2C-G(-P)系列工业相机

    应用领域
    工业检测、医疗、科研、教育等领域。

    功能特性
    l  触发类型:帧开始(Frame Start)
    l  支持 Binning、像素抽样、黑电平、数字移位
    l  支持 Gamma 和锐化,优化采集图像的亮度和边缘清晰度
    l  查找表、参数组、计数器和定时器功能
    l  黑白型号支持降噪功能
    l  取消参数范围限制,可扩大曝光、增益、白平衡等参数的范围值
    l  支持调节包长、包间隔、预留带宽,优化多机同时采集传输
    l  提供 16KB 用户数据区,保存算法系数、参数配置等

    光谱曲线
    image2.png

    规格参数
    型号  
    ME2C-1070-10GM
    ME2C-1070-10GM-P
    品牌
    大恒图像
    系列
    水星ME2C-G(-P)
    分辨率
    3840(H) × 2748(V)
    传感器
    Onsemi 1/2.3“ MT9J003 Rolling shutter CMOS
    像元尺寸
    1.67μm × 1.67μm
    帧率
    10 fps
    模数转换精度
    12 bit
    像素深度
    8 bit,12 bit
    光谱
    黑白
    图像数据格式
    Mono8 / Mono12
    信噪比
    36.12 dB
    曝光时间
    标准:42μs ~ 1s,实际步长:1 行周期
    增益
    0dB ~ 25.9dB;默认值0dB,步长0.1dB
    Binning
    1×1,1×2,2×1,2×2
    像素抽样
    FPGA:1×1,1×2,2×1,2×2
    同步方式
    外触发,软触发
    工作方式
    单帧采集,连续采集,软触发采集,外触发采集
    镜像翻转
    水平镜像,垂直镜像
    I/O接口
    1 路光耦隔离输入,1 路光耦隔离输出,1 路双向 GPIO
    数据接口
    GigE
    GigE POE
    供电要求
    12VDC-10% ~ 24VDC+10% 电源,ME2C-G-P 支持 PoE 供电(兼容IEEE802.3af)
    额定功率
    3.89W @ 12VDC
    3.89 W @ 12VDC;4.25 W @ PoE
    工作温度
    0° C ~ +45° C
    存储温度
    -20°C ~ +70°C
    工作湿度
    10% ~ 80%
    镜头接口
    C/CS
    机械尺寸
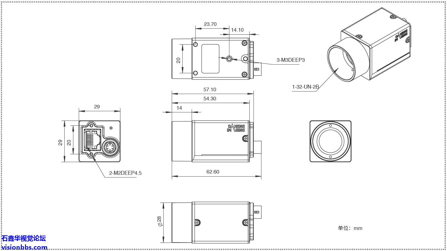
    ME2C-G:29(W) × 29(H) × 29(L) mm(不含镜头接口和连接件)  
    ME2C-G-P:29(W) × 29(H) × 40.3(L) mm(不含镜头接口和连接件)
    重量
    ME2C-G:65 g;ME2C-G-P:75 g
    软件
    支持 HALCON,MERLIC,VisionPro,LabVIEW 等第三方软件
    操作系统
    32bit / 64bit Windows,Linux,Mac OS
    认证及标准
    CE,RoHS,FCC,ICES,UKCA,USB3  Vision®,GenICam®

    IO接口

                                   
    登录/注册后可看大图

    机械尺寸

                                   
    登录/注册后可看大图
    ME2C-1070-10GM

                                   
    登录/注册后可看大图
    ME2C-1070-10GM-P
    回复

    使用道具 举报

    您需要登录后才可以回帖 登录 | 注册会员

    本版积分规则

    LabVIEW HALCON图像处理入门教程(25.08)
    石鑫华机器视觉与LabVIEW Vision图像处理PDF+视频教程11种全套
    《LabVIEW Vision函数实例详解2020-2024》教程-NI Vision所有函数使用方法介绍,基于NI VISION2020,兼容VDM21/22/23/24

    QQ|LabVIEW视觉 |网站地图

    GMT+8, 2026-3-10 06:14

    Powered by Discuz! X3.4

    © 2001-2026 Discuz! Team.

    快速回复 返回顶部 返回列表