TA的每日心情 | 无聊 12 小时前 |
|---|
签到天数: 3853 天 连续签到: 46 天 [LV.Master]2000FPS
|

楼主 |
发表于 2026-3-20 11:56:44
|
显示全部楼层
|阅读模式
来自:广东省东莞市 联通
注册登陆后可查看附件和大图,以及购买相关内容
您需要 登录 才可以下载或查看,没有账号?注册会员
x
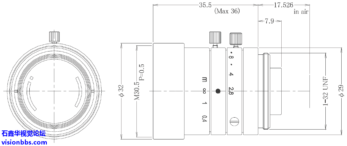
HN-0828-6M-C2/3B大恒图像600万8mm工业镜头大恒图像HN-6M系列镜头 HN-0828-6M-C2/3B
n 8mm 焦距 n 2/3" 靶面尺寸 n 600 万像素 n F2.8 大光圈 n 相对照度比高 n 抗振动性能可达5G
产品特点n 适于2/3" 600万像素 n 在远工作距离下,也可维持高性能 n 超紧凑外观尺寸 n 耐振性能达5G
规格参数
机械尺寸
|
|